在电力电子领域,IGBT(绝缘栅双极型晶体管)的拓扑结构决定了其控制电流的能力和应用范围,半桥(Half-Bridge)和三相全桥(Three-Phase Full-Bridge)是最基础也最常用的两种形式。
简单来说,它们的关系就像是“基础模块”与“完整系统”的区别。
1. 半桥和三相全桥的拓扑结构有何不同?
半桥 (Half-Bridge)
- 组成:由 2个 IGBT开关管串联组成(通常称为上桥臂和下桥臂)。
- 输出:只有 1个 交流输出端(从两个开关管的中间点引出)。
- 回路:需要配合直流侧的分压电容或另一个半桥才能形成完整的电流回路。

图 1:IGBT 半桥拓扑结构图
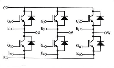
三相全桥 (Three-Phase Full-Bridge)
- 组成:由 3个 半桥电路并联而成,总共包含 6个 IGBT开关管。
- 输出:拥有 3个 交流输出端(通常标注为 U, V, W)。
- 回路:内部三相之间可以相互形成回路,不需要外部电容中点。
图 2:IGBT 三相全桥拓扑结构图
2. 半桥和三相全桥的工作原理与功能
3.半桥和三相全桥的优势与适用场景
(一)IGBT 半桥的优势
- 成本极低只用 2 个 IGBT,驱动电路简单,整体 BOM 成本低。
- 体积小、结构简单适合小体积、小功率产品。
- 控制简单只需互补 PWM,无需复杂矢量算法。
- 适合单相系统家用逆变器、小型电源、充电器等场景更匹配。
- 适用场景:小功率开关电源、单相光伏逆变器、电池充放电、LLC 谐振电路、简易 PWM 调压。
(二)IGBT 三相全桥的优势

常见误区澄清
1. 误区:半桥功率一定很小不一定。半桥也能做高功率,但多用于单相系统;三相全桥更适合大功率 + 电机驱动。
2. 误区:三相全桥只是多了几个管子不仅是数量增加,还涉及: 三相 PWM 控制 ◦ 死区时间协调 ◦ 电流采样与相序控制 ◦ 矢量 FOC 算法控制难度大幅提升。
3. 误区:半桥可以代替三相全桥不能。半桥只有一相输出,无法产生旋转磁场,不能驱动普通三相电机。
4. 半桥和三相全桥的关键差异主要有哪几点
- 自由度:半桥只能决定一个点的电位;三相全桥可以产生旋转磁场,这是旋转电机工作的物理基础。
- 集成度:在实际产品中,半桥常做成单个模块(1in1 或 2in1),而三相全桥常集成在一个功率模块中(称为 IPM 或 6-pack 模块)。
- 效率与成本:三相全桥虽然成本高、体积大,但在驱动大功率感性负载(电机)时,其能量利用率和控制精度远高于多个单相系统的简单组合。

5. 总结建议
如果你正在设计单相逆变、DCDC 转换或感应加热,半桥是性价比之选。
如果你面对的是交流电机控制、机器人关节或新能源车驱动,三相全桥是目前最稳定的标准方案。
常见问题
Q1:为什么电机驱动必须用三相全桥?
答:工业电机(如永磁同步电机或异步电机)需要三路相位互差 120° 的正弦电流来产生旋转磁场。半桥只能提供单一相位的电位切换,无法驱动需要“旋转”动力的三相负载。
Q2:设计三相全桥时最需要预防什么?
答:直通短路 (Shoot-through)。由于三相全桥结构紧凑,如果同一桥臂的上、下管因为干扰或驱动逻辑错误同时导通,直流母线会瞬间短路。因此,在博客中务必强调死区时间 (Dead Time) 的重要性。
Q3:在模块选型上,半桥和三相全桥有何不同?
答:半桥模块:通常用于大电流场景,通过多个半桥并联实现超大功率(如动车组牵引)。
三相全桥模块 (6-pack):追求高度集成化,常见于电动汽车逆变器和通用变频器,能有效减小寄生电感,简化散热设计。


