关键要点
- FO引脚为错误输出功能引脚,用于向外部通知内置保护功能的触发状态,并为实现自我保护而关断下桥臂各相的IGBT。
- FO输出信号的低电平持续时间随触发的保护类型不同而不同,因此可通过脉冲宽度判断是哪种保护动作。这是本系列机型特有的功能。
- FO引脚同时具备输入功能:在FO引脚外接RC电路并调整时间常数,可以扩展下桥臂各相IGBT的关断时间。
- 当FO信号经过光耦等隔离器件输入到MCU时,如果隔离器件的传输延迟大于FO最短低电平时间(例如SCP保护的45µs),则可利用该RC输入功能扩展FO输出时间,确保MCU能可靠检测。

1.概述
IGBT IPM(智能功率模块)的错误输出功能(Fault Output,简称FO),是内置保护系统对外的报警接口。核心作用是:当模块内部保护触发时,快速关断功率器件,并向外部MCU/控制器输出故障信号,实现系统级保护。
本文介绍“保护功能与工作时序”系列的第五个功能——错误输出功能(FO)。IPM相关功能包括:
- 短路电流保护功能(SCP)
- 控制电源欠压锁定保护功能(UVLO)
- 热关断保护功能(TSD)
- 模拟温度输出功能(VOT)
- 错误输出功能(FO)
- 控制输入(HINU、HINV、HINW、LINU、LINV、LINW)
2.错误输出功能(FO)
FO引脚用于向外部通知内置保护功能已触发,同时为了模块自我保护,会关断下桥臂各相IGBT。
本IGBT IPM系列的LVIC(低侧栅极驱动)内部集成了SCP(短路保护)、UVLO(欠压锁定)等保护功能。当任意一种保护动作时,FO引脚将从高电平(H)变为低电平(L)。
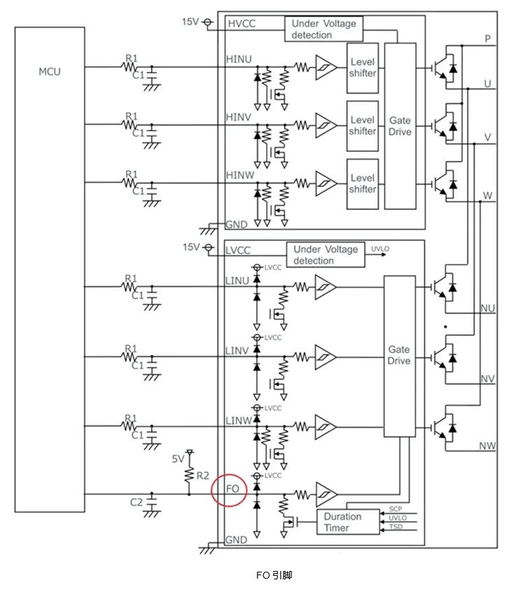
下图为包含MCU连接示例的框图,红圈标注为FO引脚。FO引脚为双向IO结构:
- 输出:开漏输出(Open-Drain)
- 输入:施密特触发缓冲器输入

内部电路会监测FO引脚的输入电平:当检测到FO为低电平时,强制关断下桥臂所有IGBT。此外,通过在FO引脚外接电阻和电容,可扩展下桥臂的关断时间。
3.HVIC与FO的关系
HVIC(高侧栅极驱动)同样具备UVLO功能,但不会影响FO输出。因此,即使HVIC的UVLO触发,FO电平也不会变化。详细说明请参考“控制电源欠压锁定保护功能(UVLO)”。
4.FO引脚的输出功能
当LVIC内部保护触发时,FO引脚由高电平变为低电平,向外通知保护动作。通过该信号,MCU可识别IPM进入保护状态,并执行相应处理与故障记录。
如表与时序图所示:FO输出低电平的持续时间,随触发的保护类型不同而不同。这是本系列产品的特有功能,通过测量低电平持续时间,即可判断具体是哪种保护动作,实现精准故障诊断与记录。若保护动作持续时间长于FO设定的输出时间,则FO在保护期间持续保持低电平。


FO为开漏输出,必须外接上拉电阻。FO引脚的绝对最大额定值:
- 施加电压VFO:-0.5V~VCC+0.5V(FO-GND)
- 灌电流IFO:1mA
上拉电压与电阻需在此范围内选择,IFO可通过上拉电压与上拉电阻近似计算。除绝对最大额定值外,还需满足FO输出电气参数与MCU输入电平(VIL、VIH)的匹配。
示例:上拉至5V时,推荐使用10kΩ上拉电阻。此时灌电流约为最大额定值的一半,安全裕量充足;且漏电流IFOLEAK导致的高电平压降很小:5V−10kΩ×10µA=4.9V可满足5V逻辑电平要求。

5.FO引脚的输入功能
FO引脚内部同时连接到下桥臂IGBT关断控制端,因此可作为输入引脚使用。
- 利用该特性:在FO引脚外接电阻R2和电容C2,通过调整C2的充电时间,可扩展下桥臂各相IGBT的关断时间。
- 典型应用场景:当FO信号经过光耦等隔离器件传输至MCU时,如果隔离器件的传输延迟>FO最短低电平时间(如SCP的45µs),可能导致MCU漏检故障。此时可通过外接RC扩展FO低电平持续时间,确保MCU可靠捕获故障信号(参见图及时序图)。

外接RC的时间常数需根据FO引脚的输入阈值电压与滞回电压进行调整。

这篇文章有点难懂,如果您有什么不懂的地方,或者想要了解的产品信息,欢迎联系我们,我们将为您安排专业的工程师或者业务员为您解答。

